Type HSC110
The pump is equipped with in-built chevron gear deceleration device. It has the properties of high transmission efficiency, low noises, stable operation, small size and compact construction. During the running, high-speed shaft can automatically adjust in horizontal direction, which makes it has balanced and reliable transmission, low friction coefficient, high lubrication, low temperature rising at power end, long-time continuous operation, etc. The max.crankshaft thrust force is 38KN.
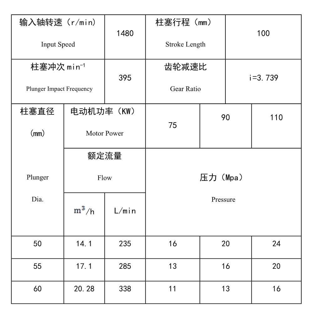
Technical Data


泵重Pump Weight :620kg 進口尺寸Inlet:G3” 出口尺寸Outlet:ZG11/2”

